Page top

Industrial Automation

Industrial Automation

A22

Pushbutton Switch (Cylindrical 22/25-dia.)

A22

Install in 22-dia. or 25-dia. Panel Cutout (When Using a Ring)

(Unit: mm)

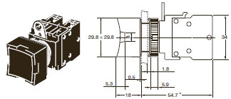
Lighted/Non-lighted Pushbutton Switches (The following illustrations are for momentary operation.)

Half-guard Type/A22-H/A22L-H

A22 Dimensions 2

Square/Projection type/A22-C/A22L-C

A22 Dimensions 3

Square/Full-guard Type/A22-D/A22L-D

A22 Dimensions 4

Note: Lighted models have the same dimensions as shown above, whether they are with or without Voltage Reduction Units.
* Alternate operation models are 9.3 mm longer.

Terminal Arrangement (Bottom View)

A22 Dimensions 6

Terminal Connection

A22 Dimensions 7

Panel Cutouts

A22 Dimensions 8

Lock ring is provided as a standard item.

• When applying coating such as paint to the panel, the dimensions should be those after the application of coating.
•Recommended panel thickness: 1 to 5 mm.
•Use an A22Z-R25 Ring when mounting to a panel with 25-mm holes.

Accessories

Legend Plate Frames

Standard Models A22Z-332[]

A22 Dimensions 12

Large A22Z-333[]

A22 Dimensions 13

Lamp

LED A22-6[], 12[], 24[]

A22 Dimensions 15

Lock Ring A22Z-3360

A22 Dimensions 16

25-dia. Ring A22Z-R25

A22 Dimensions 17

Color Cap A22Z-30T[]

A22 Dimensions 18

Hole Plug (Round) A22Z-3530

A22 Dimensions 19

Caps

A22 (for round models) A22Z-3490

A22 Dimensions 21

M22 (for round models) A22Z-3495

A22 Dimensions 22

Sealing Caps

For Flat Models A22Z-3600F

A22 Dimensions 24

For projection models A22Z-3600T

A22 Dimensions 25

For full-guard models A22Z-3600G

A22 Dimensions 26

Metallic Bezel Rings

For Flat/Projection Models A22Z-3580

A22 Dimensions 28

For full-guard models A22Z-3582

A22 Dimensions 29

Snap-in Legend Plates

For Standard Models A22Z-3443[]-[]

A22 Dimensions 31

For Large Models A22Z-3453[]

A22 Dimensions 32

For Emergency-stop Models

A22 Dimensions 33

A22Z-3476-1 (90 dia.)

A22 Dimensions 34

A22Z-3466-1 (60 dia.)

A22 Dimensions 35

Character Film

For Round Models A22Z-3460-[]

A22 Dimensions 37

For Square Models A22Z-3480

A22 Dimensions 38

Lamp Extractor A22Z-3901

A22 Dimensions 39

Tightening Wrench A22Z-3905

A22 Dimensions 40

Cap Tightening Tool A22Z-3908

A22 Dimensions 41

30-dia. Resin Attachment A22Z-A30

A22 Dimensions 42

Cap Puller A3PJ-5080

A22 Dimensions 43

Lock Plate A22Z-3380

A22 Dimensions 44

Simple Protective Cover A22Z-3700

A22 Dimensions 45

Three-throw Spacer A22Z-3003

A22 Dimensions 46

Control Box (Enclosure) A22Z-B10[]

A22 Dimensions 47

A22Z-B101 (One Hole)
A22Z-B101Y

A22 Dimensions 48

* A22Z-B101: gray
    A22Z-B101Y: yellow

A22Z-B102 (Two Holes)

A22 Dimensions 49

A22Z-B103 (Three Holes)

A22 Dimensions 50

(Panel Mounting Hole)

A22 Dimensions 51

Control Box A22Z-B20[]

A22Z-B201 (One Hole)
A22Z-B201Y

A22 Dimensions 53

* A22Z-B201: gray
    A22Z-B201Y: yellow

A22Z-B202 (Two Holes)

A22 Dimensions 54

A22Z-B203 (Three Holes)

A22 Dimensions 55

(Panel Mounting Hole)

A22 Dimensions 56