Page top

Industrial Automation

Industrial Automation

D4NS, D4NS-SK

Safety-door Switch

D4NS, D4NS-SK

Multi-contact, Labor-saving, Environment-friendly, Next-generation Safety-door Switch

(Unit: mm)

1-Conduit Types

D4NS-1[]F
D4NS-2[]F
D4NS-4[]F
D4NS-2[]F-SJ
D4NS-4[]F-SJ

D4NS, D4NS-SK Dimensions 1

2-Conduit Types

D4NS-6[]F
D4NS-8[]F

D4NS, D4NS-SK Dimensions 2

1-Conduit Connector Types

D4NS-9[]F

D4NS, D4NS-SK Dimensions 3

Note: 1. Unless otherwise specified, a tolerance of ±0.4 mm applies to all dimensions.
           2. There are fluctuations in the contact ON/OFF timing for Switches with multiple poles (2NC, 2NC/1NO, or 3NC).
                Confirm performance before application.

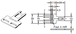
Operation Keys

D4DS-K1

D4NS, D4NS-SK Dimensions 6

D4DS-K2

D4NS, D4NS-SK Dimensions 7

D4DS-K3

D4NS, D4NS-SK Dimensions 8

D4DS-K5

D4NS, D4NS-SK Dimensions 9

Note: Unless otherwise specified, a tolerance of ±0.4 mm applies to all dimensions.

Slide Keys

D4NS-SK01

Main Body

D4NS, D4NS-SK Dimensions 13

Auxiliary Mounting Bracket and Receptacle Bracket

D4NS, D4NS-SK Dimensions 14

Switch Mounting Pattern 1

D4NS, D4NS-SK Dimensions 15

Switch Mounting Pattern 2

D4NS, D4NS-SK Dimensions 16

D4NS-SK30

Open Door

D4NS, D4NS-SK Dimensions 18

Closed Door

D4NS, D4NS-SK Dimensions 19

With Operation Key Inserted (Relationship between Insertion Radius and Key Hole)

D4NS-1[]F + D4DS-K1
(with Front-inserted Operation Key)

D4NS, D4NS-SK Dimensions 21

D4NS-1[]F + D4DS-K1
(with Top-inserted Operation Key)

D4NS, D4NS-SK Dimensions 22

D4NS-1[]F + D4DS-K2
(with Front-inserted Operation Key)

D4NS, D4NS-SK Dimensions 23

D4NS-1[]F + D4DS-K2
(with Top-inserted Operation Key)

D4NS, D4NS-SK Dimensions 24

D4NS-1[]F + D4DS-K3
(with Front-inserted Operation Key)

D4NS, D4NS-SK Dimensions 25

D4NS-1[]F + D4DS-K3
(with Top-inserted Operation Key)

D4NS, D4NS-SK Dimensions 26

D4NS-1[]F + D4DS-K5
(with Front-inserted Operation Key)

D4NS, D4NS-SK Dimensions 27

D4NS-1[]F + D4DS-K5
(with Top-inserted Operation Key)

D4NS, D4NS-SK Dimensions 28

Note: Unless otherwise specified, a tolerance of ±0.4 mm applies to all dimensions.
* Insertion radii apply when the rotational center of the Operation Key is in line with a line extending from the front or top Head surface.

Accessory

M20-to-1/2-14NPT conversion adapter for D4NS-4[][]-NPT

D4NS, D4NS-SK Dimensions 31