last update: August 1, 2016
Sensor Heads (Diffuse Reflective)
ZX-LD40
ZX-LD100
ZX-LD300
ZX-LD40L
ZX-LD100L
ZX-LD300L
Sensor Heads (Regular Reflective)
ZX-LD30V
ZX-LD30VL
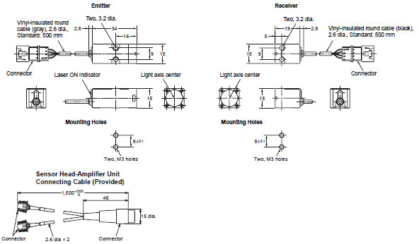
Sensor Heads (Through-beam)
ZX-LT001
ZX-LT005
ZX-LT010
ZX-LT030
Sensor Head - Amplifier Unit
Connection Cable
Amplifier Units
ZX-LDA11-N
ZX-LDA41-N
Accessories (Order Separately)
Calculating Unit
ZX-CAL2
Side-view Attachments
ZX-XF12
ZX-XF22
ZX-series Communications Interface Unit
ZX-SF11
Cables with Connectors on Both Ends (for Extension)
ZX-XC1A (1 m)
ZX-XC4A (4 m)
ZX-XC8A (8 m)
ZX-XC9A (9 m)
last update: August 1, 2016