Page top

Industrial Automation

Industrial Automation

Discontinued On Mar. 2024

ZEN V2

Programmable Relay

ZEN V2

Even Broader Applications with Increased Functionality and Higher Precision

* Information in this page is a reference that you created on the basis of information in the product catalog before the end of production, may be different from the current situation, such as goods for / supported standards options / price / features of the product. Before using, please check the compatibility and safety system.

Ratings

Item Specification
ZEN-[]C[]AR-A-V2/ZEN-8E1AR ZEN-[]C[]D[]-D-V2/ZEN-8E1D[]
Rated supply voltage 100 to 240 VAC, 50/60 Hz 12 to 24 VDC (DC ripple rate: 5% max.)
Operating
voltage range
85 to 264 VAC 10.8 to 28.8 VDC
Power
consumption
CPU Units without Expansion I/O Units
ZEN-10C1AR-A-V2/ZEN-10C2AR-A-V2/
ZEN-10C3AR-A-V2
100 V AC: 5 VA max.
240 V AC: 7 VA max.
ZEN-10C4AR-A-V2
100 V AC: 6 VA max.
240 V AC: 8 VA max.
ZEN-20C[]AR-A-V2
100 V AC: 7 VA max.
240 V AC: 10 VA max.
CPU Units with three Expansion I/O Units
ZEN-10C1AR-A-V2/ZEN-10C2AR-A-V2
100 V AC: 6 VA max.
240 V AC: 8 VA max.
ZEN-10C4AR-A-V2
100 V AC: 7 VA max.
240 V AC: 9 VA max.
ZEN-20C[]AR-A-V2
100 V AC: 8 VA max.
240 V AC: 11 VA max.
Expansion I/O Units
ZEN-8E1AR
100 V AC: 3 VA max.
240 V AC: 4 VA max.
CPU Units without Expansion I/O Units
ZEN-10C[]DR-D-V2
12/24 V DC: 3 W max.
(ZEN-10C3DR-D-V2: 2.8 W max.)
ZEN-10C[]DT-D-V2
12/24 V DC: 2 W max.
ZEN-20C[]DR-D-V2
12/24 V DC: 4 W max.
ZEN-20C[]DT-D-V2
12/24 V DC: 2 W max.
CPU Units with three Expansion I/O Units
ZEN-10C[]DR-D-V2
12/24 V DC: 4 W max.
ZEN-10C[]DT-D-V2
12/24 V DC: 3 W max.
ZEN-20C[]DR-D-V2
12/24 V DC: 5 W max.
ZEN-20C[]DT-D-V2
12/24 V DC: 3 W max.
Expansion I/O Units
ZEN-8E1DR
12/24 V DC: 2 W max.
Inrush current ZEN-10C[]AR-A-V2: 4.5 A max.
ZEN-20C[]AR-A-V2: 4.5 A max.
ZEN-8E1AR: 4 A max.
ZEN-10C[]D[]-D-V2: 30 A max.
ZEN-20C[]D[]-D-V2: 30 A max.
ZEN-8E1DR: 15 A max.
Ambient temperature 0 to 55°C (-25 to 55°C for ZEN-[]C2[][]-[]-V2 models)
Ambient storage
temperature
-20 to 75°C (-40 to 75°C for ZEN-[]C2[][]-[]-V2 models)
Ambient humidity 10% to 90% (with no condensation)
Ambient conditions No corrosive gases
Mounting method Surface mounting, DIN track mounting (standard (vertical) installation and horizontal installation)
(See notes 1 and 2.)
Terminal block Solid-line terminal block (use solid wire or fine-stranded wire)
Terminal screw
tightening torque
0.565 to 0.6 Nm (5 to 5.3 in-lb)
Degree of protection IP20 (Mounted inside a control panel)

ZEN V2 Specifications 2

Characteristics

Item Specification
Control method Stored program control
I/O control method Cyclic scan
Programming language Ladder diagram
Program capacity 96 lines (3 input conditions and 1 output per line)
Max. No. of control I/O
points
44 points *1
CPU Units with 20 I/O points: 12 inputs and 8 outputs
Expansion I/O Units: 4 inputs and 4 outputs each, up to 3 Units.
LCD display *2 12 characters × 4 lines, with backlight
Operation buttons *2 8 (4 cursor buttons and 4 operation buttons)
User program backup Internal EEPROM, Memory Cassette (optional)
Power interruption
hold
Internal holding bit status, holding timer/counter present values, calendar and clock (year,
month, day of month, day of week, time)
• Super capacitor backup time:2 days min. (25°C)
• Life of optional battery: 10 years min. (25°C)
Calendar and clock
function *2
Accuracy: ±15 s/month (at 25°C)
Timer accuracy 0.01 s unit: -0.05% -10 ms max. (rate for set value)
min/s unit: -0.05% -1 s max. (rate for set value)
h/min unit: -0.05% -1 min max. (rate for set value)
Maximum counting
speed
150 Hz: 8-Digit counter (F) set to high-speed operations (CPU Units with DC power supplies
only)
(The counting speed may be less than 150 Hz depending on the cycle time of the program.
See Data Sheet.)
Insulation resistance 20 MΩ (at 500 VDC) min.:
Between power supply terminals and all output terminals.
Between terminals of different output circuits.
Between all terminals of CPU Unit and all terminals of Expansion I/O Unit.
Insulation Reinforced insulation
Between power supply or input terminals and output terminals.
Between terminals of different output circuits.
Between all terminals of CPU Unit and all terminals of Expansion I/O Unit.
No separation
Between power supply and input terminals of the same unit.
Between power supply terminals of CPU Unit and computer connector,
Battery Unit connector, or all Expansion Unit connectors (all interfaces are live parts).
Dielectric strength 2,300 VAC, 50/60 Hz for 1 min (leakage current 1 mA max.):
Between power supply terminals and all output terminals.
Between terminals of different output circuit.
Between all terminals of CPU Unit and all terminals of Expansion I/O Unit.
Vibration resistance Conforms to IEC60068-2-6, 5 to 9 Hz with 3.5-mm single amplitude, 9 to 150 Hz
acceleration 9.8 m/s2, 10 sweeps each in X, Y, and Z directions (1 octave/min)
Shock resistance Conforms to IEC60068-2-27, 147 m/s2, 3 times each in X, Y, and Z directions.
Weight CPU Unit with 10 I/O points: Approx. 300 g max.
CPU Unit with 20 I/O points: Approx. 350 g max.
Expansion I/O Unit: Approx. 120 g max.

*1. Up to 34 points for CPU Units with 10 I/O points. With Communications-type CPU Units, however, the CPU Unit has 6
       inputs and 3 outputs, for a maximum of 33 I/O points.
*2. Not provided for LED-type CPU Unit without display (i.e., ZEN-[]C2[][]-[]-V2 models).

Communications Specifications (Communications-type CPU Units)

Item ZEN-10C4[]R-[]-V2
Communications RS-485 (two-wire, half duplex)
Synchronization method Start-stop synchronization
Baud rate 4800, 9600, or 19200 bps
Transmission code ASCII
Data bit length 7 or 8 bits
Stop bit length 1 or 2 bits
Error detection Vertical parity (none, even, odd), Block check character (BCC)
Flow control None
Interface RS-485
Retry function None
Node number 0 to 99 (default: 1), XX (broadcasting)

Approved Standards

Item Specifications
Safety standards cULus: UL508/CSA C22.2 No.142 (ZEN-PA03024 take Class I Div2)
Conforms to EN/IEC 61131-2 clause 11, excluding 11.7.2.2
(Overvoltage category 2 and Pollution degree II conforms to IEC 60664-1)
EMC
(See note.)
Radiation Field Emission CISPR11 Class A, Group 1
Noise Terminal Voltage Emission CISPR11 Class A, Group 1
Electrostatic Discharge Immunity IEC61000-4-2 In air: 8 kV, In contact: 6 kV
Electromagnetic Field Immunity IEC61000-4-3 10 V/m
Electrical Fast Transient/Burst Immunity IEC61000-4-4
Power line
AC I/O: 2 kV
DC I/O: 1 kV
Surge Immunity IEC61000-4-5
Normal Noise
AC power supply, AC I/O: 1 kV
DC power supply, DC I/O: 0.5 kV
Common Noise
AC power supply, AC I/O: 2 kV
DC power supply: 1 kV
DC I/O: 0.5 kV
Immunity to Conducted Disturbances Induced by Radio-frequency Fields
IEC61000-4-6 3 V
Momentary Power Interruption Immunity IEC61131-2
CPU Units with AC Power Supplies: 10 ms max.
CPU Units with DC Power Supplies: 2 ms max. (level: PS1)

Note: EMC conforms to EN 61131-2 clause 8 except in the following cases.
• When Expansion I/O Units with DC inputs are connected to a CPU Unit with an AC power supply, the burst immunity between power supplies will be 1 kv.
• When the signal wire for transistor outputs exceeds 10 m, the surge immunity of DC output signal lines will not conform.

Input Specifications

CPU Units

AC Inputs (Not Isolated)

Item Specifications Circuit drawing
Input voltage 100 to 240 VAC +10%, -15%, 50/60 Hz
zen_spec5_1
Input impedance 680 kΩ
Input current 0.15 mA/100 VAC, 0.35 mA/240 VAC
ON voltage 80 VAC min.
OFF voltage 25 VAC max
ON response time 50 ms or 70 ms at 100 VAC (See note.)
100 ms or 120 ms at 240 VAC (See note.)
OFF response time

Note: Can be selected using the filter settings.

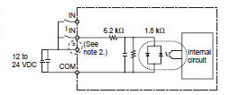
DC Inputs: I0 to I3 for Units with 10 I/O points, I0 to I9 for Units with 20 I/O Points (Not Isolated)

Item Specifications Circuit drawing
Input voltage 12 to 24 VDC +20%, -10%
zen_spec6_1
Input impedance 5.3 kΩ
Input current 4.5 mA (typ.)/24 VDC
ON voltage 8 VDC min.
OFF voltage 5 VDC max.
ON response time 15 ms or 50 ms (See note.)
OFF response time

Note: Can be selected using the input filter settings, except when I0 is being used for an 8-digit counter with a high-
           speed input.

DC Inputs: I4 and I5 for Units with 10 I/O points, Ia and Ib for Units with 20 I/O Points (Not Isolated)

Item Specifications Circuit drawing
DC Inputs Input voltage 12 to 24 VDC +20%, -10% zen_spec7_1
Input impedance PNP: 5.5 kΩ/14 VDC min.
100 kΩ/14 VDC max.
NPN: 5.2 kΩ
Input current PNP: 4.3 mA (typ.)/24 VDC
NPN: 4.6 mA (typ.)/24 VDC
ON voltage 8 VDC min.
OFF voltage 3 VDC max.
ON response time 15 ms or 50 ms (See note.)
OFF response time
Analog
Inputs
Input range 0 to 10 V
External input impedance 100 kΩ min.
Resolution 0.1 V (1/100 FS)
Accuracy ±1.5% FS (at ambient operating temperature within rated range)
AD conversion data 0 to 10.5 V (in increments of 0.1 V)

Note: Can be selected using the input filter settings.

Expansion I/O Units

AC Inputs (Not Isolated)

Item Specifications Circuit drawing
Input voltage 100 to 240 VAC +10%, -15%, 50/60 Hz
zen_spec8_1
Input impedance 680 kΩ
Input current 0.15 mA/100 VAC, 0.35 mA/240 VAC
ON voltage 80 VAC min.
OFF voltage 25 VAC max.
ON response time 50 ms or 70 ms at 100 VAC (See note.)
100 ms or 120 ms at 240 VAC (See note.)
Off response time

Note: Can be selected using the input filter settings.

DC Inputs (ZEN-8E1DR: Not Isolated, ZEN-8E1DT: Photocoupler Isolated)

Item Specifications Circuit drawing
Input voltage 12 to 24 VDC +20%, -10%
zen_spec9_1
Input impedance 6.5 kΩ
Input current 3.7 mA (typ.)/24 VDC
ON voltage 8 VDC min.
OFF voltage 5 VDC max.
ON response time 15 ms or 50 ms (See note 1.)
OFF response time

Note: 1. Can be selected using the input filter settings.
           2. The ZEN-8E1DT has no +/- terminals. There is no need to supply power.

Output Specifications (CPU Units and Expansion I/O Units)

Units with Relay Outputs

Item Specifications Circuit drawing
Maximum switching capacity 250 VAC/8 A (resistive load: cosΦ = 1)
24 VDC/5 A (resistive load)
Use the following values for the total of all outputs.
CPU Units with 10 I/O points: 20 A max.
(15 A max. for Communications-type CPU Units)
CPU Units with 20 I/O points: 40 A max.
Expansion I/O Units: 20 A max.
zen_spec10_1
Minimum switching capacity 5 VDC/10 mA (resistive load)
Relay life Electrical Resistive load: 50,000 times (cosΦ = 1)
Inductive load: 50,000 times (cosΦ = 0.4)
Mechanical 10 million times
ON response time 15 ms max.
OFF response time 5 ms max.

The life under the worst conditions, of the output contacts used in ZEN relay outputs is given in the above table.

Note: The switching capacity, switching durability, and applicable load area when actually using the relay depend on the
          type of load, environmental conditions, and switching conditions.
          Therefore, be sure to confirm these conditions for the actual machine before use.

Units with Transistor Outputs

Item Specifications Circuit drawing
Maximum switching capacity 24 VDC +20%, 500 mA
Leakage current 0.1 mA max. Each circuit is configured with an independent common circuit
zen_spec11_1
Residual voltage 1.5 V max.
ON response time 1 ms max.
OFF response time 1 ms max.