Page top

Industrial Automation

Industrial Automation

STC Series (TV Format Color Camera)

TV Format Color Camera

STC Series (TV Format Color Camera)

1/3.2" 0.65 Mpix TV format color CMOS camera

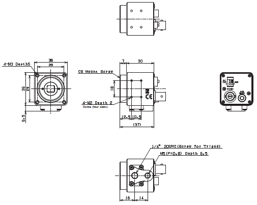
(Unit: mm)

BJ type

STC Series (TV Format Color Camera) Dimensions 1

BT type

STC Series (TV Format Color Camera) Dimensions 2