Page top

Industrial Automation

Industrial Automation

H5CC

Digital Timer

H5CC

New and improved design for easier use, programming, maintenance and user feedback. The improved user interface is intuitive and offers better overall visibility. Replacement time notification function notifies the user of potential preventive maintenance.

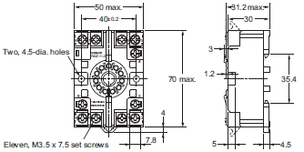
(Unit: mm)

Digital Timers

Digital Timers

H5CC-A/-AD/-AS/-ASD/-AU/-AUD/-AWSD (Flush Mounting Models)

H5CC Dimensions 3

Note: M3.5 terminal screw (effective length: 6 mm)

H5CC-A11/-A11D/-A11F/-A11S/-A11SD (Flush Mounting/Surface Mounting Models)

H5CC Dimensions 5

H5CC-L8/-L8D/-L8S/-L8SD/-L8E/-L8ED/-L8EF (Flush Mounting/Surface Mounting Models)

H5CC Dimensions 6

Dimensions with Flush Mounting Adapter

H5CC-A/-AD/-AS/-ASD/-AU/-AUD/-AWSD (Flush Mounting Models)
(Provided with Adapter and Waterproof Packing)

H5CC Dimensions 8

H5CC-L8/-L8D/-L8S/-L8SD/-L8E/-L8ED-A11/-A11D/-A11F/-A11S/-A11SD (Flush Mounting Models)
(Adapter and Waterproof Packing Ordered Separately)

H5CC Dimensions 9

Panel Cutouts

Panel cutouts are as shown below. (According to DIN 43700.)

H5CC Dimensions 10

Note: 1. The mounting panel thickness should be 1 to 5 mm.
Note: 2. To allow easier operation, it is recommended that Adapters be mounted so that the gap between sides with hooks is at least 15 mm (i.e., with the panel cutouts separated by at least 60 mm).
Note: 3. It is possible to horizontally mount Timers side by side. Attach the Flush Mounting Adapters so that the surfaces without hooks are on the sides of the Timers. If they are mounted side-by-side, water resistance will be lost.

H5CC Dimensions 11

Dimensions with Front Connecting Socket

H5CC Dimensions 12

* These dimensions depend on the kind of DIN track and Sockets. (Reference value.)

Accessories (Order Separately)

Note: Depending on the operating environment, the condition of resin products may deteriorate, and may shrink or become harder. Therefore, it is recommended that resin products are replaced regularly.

Soft Cover
Y92A-48F1

H5CC Dimensions 14

The Soft Cover is attached by inserting the front part between the holding clips.

Hard Cover
Y92A-48

H5CC Dimensions 16

Note: Due to material properties, the product surface may become cloudy white. If this causes any issues during use, please wipe it with isopropyl alcohol or similar before using.

Protecting the Timer in Environments Subject to Oil

The H5CC’s panel surface is water-resistive (IP[]6) and so even if drops of water penetrate the gaps between the keys, there will be no adverse effect on internal circuits. If, however, there is a possibility of oil being present on the operator’s hands, use the Soft Cover. The Soft Cover ensures protection equivalent to IP54 against oil. Do not, however, use the H5CC in locations where the front section would come in direct contact with oil.

Waterproof Packing
Y92S-P6

H5CC Dimensions 19

* The Waterproof Packing is included with models with screw terminals.

Order the Waterproof Packing separately if it is lost or damaged.
The Waterproof Packing can be used to achieve IP66 protection.

The Waterproof Packing will deteriorate, harden, and shrink depending on the application environment. To ensure maintaining the IP[]6 waterproof level, periodically replace the Waterproof Packing.
The periodic replacement period will depend on the application environment. You must confirm the proper replacement period. Use one year or less as a guideline. If the Waterproof Packing is not replaced periodically, the waterproof level will not be maintained.
It is not necessary to mount the Waterproof Packing if waterproof construction is not required.

Flush Mounting Adapter
Y92F-30

H5CC Dimensions 22

Order the Flush Mounting Adapter separately if it is lost or damaged.
Note: A Flush Mounting Adapter is included with models with screw terminals.

Y92F-38

H5CC Dimensions 24
H5CC Dimensions 25

* Insert the timer unit from front side of adapter.
* Use Waterproof Packing to provide a level of water protection that complies with IP[]6 standards.
* It is not necessary to mount the Waterproof Packing if waterproof construction is not required.

Waterproof Packing
Y92S-35

H5CC Dimensions 26

The Y92S-35 is not provided with the Y92F-38. Order separately, if water protection is required. Use Waterproof Packing to provide a level of water protection that complies with IP65 standards.
Depending on the operating environment, the Waterproof Packing may deteriorate, contract, or harden and so regular replacement is recommended. The periodic replacement period will depend on the application environment. You must confirm the proper replacement period. Use one year or less as a guideline. If the Waterproof Packing is not replaced periodically, the waterproof level will not be maintained.

Y92F-45
Note: 1. The adapter is black in color.
Note: 2. The Y92F-45 can be used in combination with the Y92F-30 Adapter provided with the Timer.

H5CC Dimensions 28

H5CC Mounting Example

H5CC Dimensions 29

Connection Sockets

Front Connecting Sockets

P2CF-08

H5CC Dimensions 32

P2CF-08-E
(Finger-safe Type)

H5CC Dimensions 33

P2CF-11

H5CC Dimensions 34

P2CF-11-E
(Finger-safe Type)

H5CC Dimensions 35

Note: Round crimp terminals cannot be used on Finger-safe Sockets. Use forked crimp terminals.
The P2CF has hooks to fix the timer so the holding clips are not required.

Back Connecting Sockets

P3G-08

H5CC Dimensions 38

P3GA-11

H5CC Dimensions 39

Note: A Y92A-48G Terminal Cover can be used with the Socket to enable finger protection.

Terminal Covers for P3 G-08 and P3GA-11 Back Connecting Sockets

Y92A-48G

H5CC Dimensions 42

Note: The Terminal Cover can be used with a Back Connecting Socket (P3G-08 or P3GA-11) to enable finger protection.

Optional Products for Track Mounting

Mounting Track
PFP-100N
PFP-50N

H5CC Dimensions 45

Mounting Track
PFP-100N2

H5CC Dimensions 46

End Plate
PFP-M

H5CC Dimensions 47

Spacer
PFP-S

H5CC Dimensions 48

Note: Order Spacers in increments of 10. The above prices are the standard prices for one item.