Page top

Industrial Automation

Industrial Automation

MM

Power Relay

MM

Stable Contact Reliability and Long Life

(Unit: mm)

Standard Relays

Open Relays

Solder Terminals
MM2(X), MM4(X), MM3(X)

MM Dimensions 3

Note: Connect the common (C) of MM[]X to positive (+).

Screw Terminals
MM2(X)B, MM3(X)B,MM4(X)B

MM Dimensions 4

Note: Connect the common (C) of MM[]XB to positive (+).

Mounting Holes (Bottom View)

MM Dimensions 5

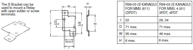
Mounting Bracket (S Bracket)
R99-03 (S KANAGU) FOR MM[]

MM Dimensions 6

Cased Relays

Plug-in Terminals

MM2P(N, -D)
MM2XP(N, -D)

MM Dimensions 9

Note: As shown in the diagram, there are three 10-dia. holes in the side of the case for the MM2XP(N, -D).
          When a case-protection plate is attached, the width of the Relay will be 48 mm max.

MM3P(N)

MM Dimensions 10

MM3PXP(N)
MM4P(N, -D)
MM4XP(N, -D)

MM Dimensions 11

Note 1: As shown in the diagram, there are three 10-dia. holes in the side of the case for MM[]XP(N, -D).
          2: When a case-protection plate is attached, the width of the Relay will be 80 mm max.

MM4P-JD

MM Dimensions 12

MM4XP-JD

MM Dimensions 13