Page top

Industrial Automation

Industrial Automation

XW5T-P

DIN Track Push-in Terminal Blocks

XW5T-P

Our Value Design Products Increase the Value of Your Control Panels. Push-in Plus Terminal Blocks to Downsize Control Panels and Save Work.

(Unit: mm)

DIN Track Terminal Blocks

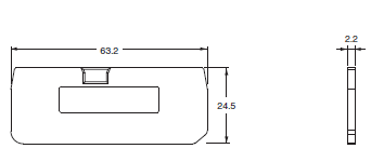
XW5T-P1.5-1.1-1 (BL)/XW5G-P1.5-1.1-1

XW5T-P Dimensions 2

XW5T-P1.5-1.2-1 (BL)/XW5G-P1.5-1.2-1

XW5T-P Dimensions 3

XW5T-P1.5-2.2-1 (BL)/XW5G-P1.5-2.2-1

XW5T-P Dimensions 4

XW5T-P1.5-1.1-2 (BL)/XW5G-P1.5-1.1-2

XW5T-P Dimensions 5

XW5T-P2.5-1.1-1 (BL)/XW5G-P2.5-1.1-1

XW5T-P Dimensions 6

XW5T-P2.5-1.2-1 (BL)/XW5G-P2.5-1.2-1

XW5T-P Dimensions 7

XW5T-P2.5-2.2-1 (BL)/XW5G-P2.5-2.2-1

XW5T-P Dimensions 8

XW5T-P2.5-1.1-2 (BL)/XW5G-P2.5-1.1-2

XW5T-P Dimensions 9

XW5T-P4.0-1.1-1 (BL)/XW5G-P4.0-1.1-1

XW5T-P Dimensions 10

XW5T-P4.0-1.2-1 (BL)/XW5G-P4.0-1.2-1

XW5T-P Dimensions 11

XW5T-P4.0-2.2-1 (BL)/XW5G-P4.0-2.2-1

XW5T-P Dimensions 12

XW5T-P4.0-1.1-2 (BL)/XW5G-P4.0-1.1-2

XW5T-P Dimensions 13

Short Bars

XW5S-P1.5-[]

XW5T-P Dimensions 15

XW5S-P2.5-[]

XW5T-P Dimensions 16

XW5S-P4.0-[]

XW5T-P Dimensions 17

End Cover

XW5E-P1.5-1.1-1

XW5T-P Dimensions 19

XW5E-P1.5-1.2-1

XW5T-P Dimensions 20

XW5E-P1.5-2.2-1

XW5T-P Dimensions 21

XW5E-P1.5-1.1-2

XW5T-P Dimensions 22

XW5E-P2.5-1.1-1

XW5T-P Dimensions 23

XW5E-P2.5-1.2-1

XW5T-P Dimensions 24

XW5E-P2.5-2.2-1

XW5T-P Dimensions 25

XW5E-P2.5-1.1-2

XW5T-P Dimensions 26

XW5E-P4.0-1.1-1

XW5T-P Dimensions 27

XW5E-P4.0-1.2-1

XW5T-P Dimensions 28

XW5E-P4.0-2.2-1

XW5T-P Dimensions 29

XW5E-P4.0-1.1-2

XW5T-P Dimensions 30

End Brackets/Separator Plates

XW5Z-EP6 (End Brackets)

XW5T-P Dimensions 32

XW5Z-EP12 (Separator Plates)

XW5T-P Dimensions 33